...

欢迎光临江西省江崎贸易有限公司

你想找什么货品?

日本原装进口SHIMURA志村直软管接头

货号: 1006
库存: 0 无货

¥0.00


简介

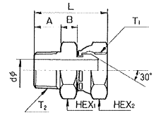
1006 男女联合商品编号公称直径螺丝 T1螺丝 T2总长度 L维度 A维度 BDΦ十六进制 1十六进制 210061/8转速 R 1/8GC1/831106314141/4R 1/4GC1/438138519193/8接线端子R 3/8GC3/842158722221/2R 1/2GC1/25018101027273/4接线端子 R 3/4GC3/4 系列5620121636361”R 1 英寸GC1”…

分类: 其他, SHIMURA志村,
产品详情
 
1006 男女联合
商品编号公称直径螺丝 T1螺丝 T2总长度 L维度 A维度 B十六进制 1十六进制 2
10061/8转速 R 1/8GC1/83110631414
1/4R 1/4GC1/43813851919
3/8接线端子R 3/8GC3/84215872222
1/2R 1/2GC1/2501810102727
3/4接线端子 R 3/4GC3/4 系列562012163636
1”R 1 英寸GC1”61.52214214141


日本原装进口SHIMURA志村直软管接头
¥0.00
日本原装进口SHIMURA志村直软管接头
日本原装进口SHIMURA志村直软管接头
¥0.00
日本原装进口SHIMURA志村直软管接头