...

欢迎光临江西省江崎贸易有限公司

你想找什么货品?

日本原装进口SHIMURA志村弯曲软管接头

货号: 1033
库存: 0 无货

¥0.00


简介

1033 90 弯头商品编号公称直径螺丝 T1螺丝 T2尺寸 C维度 ADΦ10331/8G 1/8 型转速 R 1/8202041/4G 1/4 型R 1/426245.53/8G 3/8 型接线端子R 3/8312881/2G 1/2R 1/23833103/4G 3/4 型接线端子 R 3/44336161”G 1 英寸R 1 英寸514121.51・1/4G 1 / 1/4R 11/4 型5855271・1/…

分类: 其他, SHIMURA志村,
产品详情
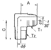
1033 90° 弯头
商品编号公称直径螺丝 T1螺丝 T2尺寸 C维度 A
10331/8G 1/8 型转速 R 1/820204
1/4G 1/4 型R 1/426245.5
3/8G 3/8 型接线端子R 3/831288
1/2G 1/2R 1/2383310
3/4G 3/4 型接线端子 R 3/4433616
1”G 1 英寸R 1 英寸514121.5
1・1/4G 1 / 1/4R 1·1/4 型585527
1・1/2G 1 / 1/2R 1・1/2615333
 
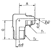
商品编号公称直径螺丝 T1螺丝 T2尺寸 C维度 A直径 1直径 2
1033
直径
1/4×1/8PTG 1/4 型转速 R 1/8223045.5
3/8×1/4PTG 3/8 型R 1/428285.58
1/4×3/8PTG 1/4 型接线端子R 3/8312785.5
3/8×1/2PTG 3/8 型R 1/23730108
1/2×3/8PTG 1/2接线端子R 3/83333810
3/4×1/2PTG 3/4 型R 1/240371015.5
1/2×3/4PTG 1/2接线端子 R 3/4433515.510
3/4×1“PTG 3/4 型R 1 英寸514021.515.5
1 英寸 ×3/4 点G 1 英寸接线端子 R 3/4484215.521.5


日本原装进口SHIMURA志村弯曲软管接头
¥0.00
日本原装进口SHIMURA志村弯曲软管接头
日本原装进口SHIMURA志村直软管接头
¥0.00
日本原装进口SHIMURA志村直软管接头