...

欢迎光临江西省江崎贸易有限公司

你想找什么货品?

日本原装进口SHIMURA志村管件

货号: 2088
库存: 0 无货

¥0.00


简介

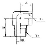
2088 内螺纹弯头商品编号公称直径螺丝 T1螺丝 T2维度 A维度 BDΦ20881/8遥控 1/8遥控 1/812184.51/4RC 1/4RC 1/416215.53/8遥控 3/8遥控 3/817.52471/2RC 1/2RC 1/22627103/4遥控 3/4遥控 3/43030161”RC 1”RC 1”每次报价1・1/4RC1・1/4RC1・1/41・1/2RC1・1/2RC1・1/2…

分类: 其他, SHIMURA志村,
产品详情
 
2088 内螺纹弯头
商品编号公称直径螺丝 T1螺丝 T2维度 A维度 B
20881/8遥控 1/8遥控 1/812184.5
1/4RC 1/4RC 1/416215.5
3/8遥控 3/8遥控 3/817.5247
1/2RC 1/2RC 1/2262710
3/4遥控 3/4遥控 3/4303016
1”RC 1”RC 1”每次报价
1・1/4RC1・1/4RC1・1/4
1・1/2RC1・1/2RC1・1/2
2”RC 2”RC 2”


日本原装进口SHIMURA志村管件
¥0.00
日本原装进口SHIMURA志村管件
日本原装进口SHIMURA志村管件
¥0.00
日本原装进口SHIMURA志村管件