...

欢迎光临江西省江崎贸易有限公司

你想找什么货品?

日本原装进口SHIMURA志村黄铜适配器

货号: 3009
库存: 0 无货

¥0.00


简介

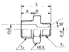
黄铜适配器 3009商品编号公称直径螺丝 T1螺丝 T2总长度 L维度 A维度 BDΦ十六进制30091/8G 1/8 型转速 R 1/8定制工作1/4G 1/4 型R 1/43212135.5163/8G 3/8 型接线端子R 3/83613.5157171/2G 1/2R 1/246181810223/4G 3/4 型接线端子 R 3/452.202016301”G 1 英寸R 1 英寸每…

分类: 其他, SHIMURA志村,
产品详情
黄铜适配器 3009
商品编号公称直径螺丝 T1螺丝 T2总长度 L维度 A维度 B十六进制
30091/8G 1/8 型转速 R 1/8定制工作
1/4G 1/4 型R 1/43212135.516
3/8G 3/8 型接线端子R 3/83613.515717
1/2G 1/2R 1/24618181022
3/4G 3/4 型接线端子 R 3/452.20201630
1”G 1 英寸R 1 英寸每次报价
1・1/4G 1・1/4R 1·1/4 型
1・1/2G 1 / 1/2R 1・1/2
2”G 2英寸R 2 英寸
 
商品编号公称直径螺丝 T1螺丝 T2总长度 L维度 A维度 B直径 1直径 2十六进制
3009
变体
1/4×1/8PTG 1/4 型转速 R 1/8每次报价
3/8×1/4PTG 3/8 型R 1/435121575.519
1/4×3/8PTG 1/4 型接线端子R 3/83615175.5719
3/8×1/2PTG 3/8 型R 1/244181571022
1/2×3/8PTG 1/2接线端子R 3/8431518.510722
3/4×1/2PTG 3/4 型R 1/2每次报价
1/2×3/4PTG 1/2接线端子 R 3/4
3/4×1“PTG 3/4 型R 1 英寸
1 英寸 ×3/4 点G 1 英寸接线端子 R 3/4


日本原装进口SHIMURA志村黄铜 90° 螺纹接头
¥0.00
日本原装进口SHIMURA志村黄铜 90° 螺纹接头
日本原装进口SHIMURA志村黄铜 90° 适配器
¥0.00
日本原装进口SHIMURA志村黄铜 90° 适配器