...

欢迎光临江西省江崎贸易有限公司

你想找什么货品?

TONE前田 杠杆套筒24UR41T

货号: 24UR41T
库存: 10 无货
品牌: TONE 前田

¥450.00 ¥350.00


简介

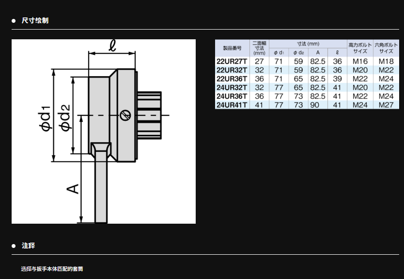
这是一个UR型杠杆套筒。 套筒和反应接收器集成一体,使其轻便易作。用于拧紧和松开螺栓和螺母。

产品详情

image.pngimage.png

TONE前田 NC 扭矩转换器TE801
¥350.00
TONE前田 NC 扭矩转换器TE801
TONE前田 杠杆套筒24UR36T
¥350.00
TONE前田 杠杆套筒24UR36T