在线过滤器 KUB 系列(分析仪)气体用中空纤维膜过滤器
过滤精度为 0.003 μm 的中空纤维膜可
去除引起噪音的细小颗粒。
特征
采用中空纤维膜,过滤精度0.003μm
紧凑的形状支持节省空间。
1/4" 管连接规格,方便安装和更换。
完全由树脂制成,重量轻。
也可提供低压损失规格。(请另行咨询。)
应用实例
产品代码配置
规格
过滤的工作原理
流量特性
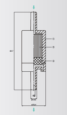
外形尺寸
应用实例
载气和空白气体的过滤
空气粒子计数器零点校正
分析仪泵保护
呼吸分析仪的清洁排气(**)
保护气动设备和防止异物流出
鞘气过滤
清洁空气吹入设备
产品代码配置

规格

过滤的工作原理

流量特性

外形尺寸





江崎目前目前公司具有优势的品牌:CCS晰写速、SEN日森、EYE岩崎、USHIO牛尾、SIGMAKOKI西格玛光机、SAKAGUCHI坂口电热、FUNATECH船越龙、HIKARIYA光屋、SERIC索莱克、REVOX莱宝克斯、Nidec尼得科、ORIHARA折原、SONIC索尼克、YUASA尤安萨、EYELA东京理化、SANKO三高、NEWKON新光、HEIDON新东科学、SIBATA柴田科学、TAKASAGO高沙、MITUTOYO三丰、JIKCO吉高、NPM日脉、AND艾安德、TOSEI东精、ONOSOKKI小野、PISCO碧铄科、TOPCON拓普康、NDK电波工业、STANLEY史丹利、HIOS好握速、SATA世达、HAKKO白光、TOHNICHI东日、NITTO KOHKI日东工器、TAISEI大生、日本MAGNESCALE索尼、日本KOSME考世美、OPTEX奥普士、ORC欧阿希、RKC、RION理音、OHM、KYOWA共和、YAMADA山田光学、ASKER、NSK、NBK、FREEBEAR、CHINO千野、COPAL科宝、AMANO安满能、HORIBA堀场、DELVO达威、TOMOE、SUMICO住矿、SATO、CKD喜开理、IMAO今尾、MASUDA增田、KETT凯特、MARUYAMA丸山、MARUIKEIKI丸井、KONSEI近藤、TOYO、OSAKA、KAKUTA角田、FUJI富士、NAGANO KEIKI长野计器、HIOKI日置、OSAWA大泽、TOKYOKEIKI东京计器、ACCRETECH东京精密、ACE GIKEN技研、ADCMT爱德万、ADVANTEC东洋、AICHITOKEI爱知时计、AirTAC亚德客、AITEC艾泰克、AMADA天田、ANRITSU安立计器、ARIMITSU有光、ASAHI旭产业、ASONE亚速旺、SUGIYAMA杉山电机、TAMAGAWA多摩川、TRUSCO中山、ATAGO爱拓、ATEC爱泰克、ATLASCOPCO阿特拉斯、AZBIL山武、CEDAR思达、CEMEDINE施敏打硬、CHELIC气立可、CONVUM妙德、COSEL科索、COSMOS新宇宙、COSMO科斯莫、CUSTOM东洋、DAICO大浩研热、DDK东亚电波、DENSO丹索、DFAIC东仪、DSK电通产业、EIWA荣和、ELECOM宜丽客、EMIC爱美克、ESCO艾斯科、EXCEL艾库斯、EYELA东京理化、FANUC发那科、ULVAC爱发科、FUJIFILM富士、FUJILATEX不二精器、FUJISTAR三共理化学、FUJI不二空机、FUKUDA福田电机、FUSOSEIKI扶桑精机、GOE吴英制作所、GRAPHTEC图技、HANNA哈纳、HATAYA烟屋、HAYASHI林时计、HELLERMANNTYTON海尔曼太通、HITACHI日立、HOKUYO北阳、HONDA本多、HOYA、HRB哈尔滨、HUGLE藤宫、IDEC和泉、IIJIMA饭岛电子、IMADA依梦达、IMV艾目微、INFLIDGE英富丽、ISEL艾塞路、ITOH伊藤、IWAKI易威奇、IZUMI泉精器、JST日压、UNIPULSE优尼帕斯、日本UNITTA、日本KEM、
KAISE凯士、KAKUTA角田、KANETEC强力、KANOMAX、KANON中村、KASUGA春日、KEIHIN京浜工业、KEYENCE基恩士、KIKUSUI菊水、KINKI近畿容器、KITAGAWA光明理化学工业、KITZ北泽、KOGANEI小金井、KOSAKA小坂研究所、KOSHIN工进、KOTOHIRA琴平、KURAKA仓敷化工、KURITA栗田、KURODA黑田、KYORITSU共立理化、KYOWA协和、LECIP三阳、LELMAC、LOCTITE乐泰、MACOME码控美、MAEDA前田、MAKE马克、MALCOM马康、MEG、MEPAC、METROL美德龙、MIDORI绿测器、MIGHTY麦格特株式会社、MINIMO美利达、MIRUC OPTICAL米拉克光学、MITSUBISHI三菱、MITSUBOSHI三星、MST恩司迪、M-SYSTEM爱模、MUSASHI武藏、NEW-ERA新时代、NEWKON新光、NICHIBAN米奇邦、NICHIGI日油技研、NIHON SEIKI精器、NIKKATO日陶、NIKON尼康、NIPPONMUKI无机、NIREI仁礼工业、NISHIMURA西村电机、NISSEI日精、NMB美蓓亚、NOHKEN能研、NTTATCR创意株式会社、OGURA小仓、OKANO冈野、OKAZAKI冈崎、OTSUKA大冢、PARKER黑田精工、PEACOCK孔雀、PEAK必佳、PIKAL磨料工业、PISCO匹士克、RANSBURG兰氏、RIKENKIKI理研计器、RIKEN理研、RSK新泻理研、SAGADEN嵯峨电机、SAKAZUME坂诘、SANAI三爱、SANKEI三桂、SANKO SHOKAI三工商会、SANWA三和、SEIKO精工、SEM坂本电机、SENSEZ静雄、SHIBAKEI芝轻粗材、SHIMPO力新宝、SHINAGAWA品川、SHOWA GIKEN昭和技研、SHOWA SEIKI昭和精机、SHOWADENKI昭和电机、SHOWA昭和、SIMCO思美高、SSD西西蒂、SUIDEN瑞电、SUMITA住田光学、SUZUKI铃木、TACO、TAIYO太阳铁工、TAKEX竹中、TAKIKAWA泷川、TATEYAMA立山科学、THINKY日新基、TKD武田、TOAKO东洋计器兴业、TOKI SANGYO东机产业、TOKU东空、TONE前田、TOPCOM拓普康、TOYO KEIKI东洋计器、TOYOGIKEN东洋技研、VESSEL威威、TSCONVEYOR海象、TSUBAKI椿本、TSUKASA驰卡沙、UNITTA优利特、URYU瓜生、VENN阀天、WATANABE渡边电机、WEINVIEW威纶通、YAMAYU馬野化学、YIZIMO株式会社、YOKOTA横田、ZEBRA斑马、
Fluke福禄克、OHAUS奥豪斯、PROFIT普尔菲特、德国BESSEY、德国IFM、德国LEUZE劳易测、德国SARTORIUS赛多利斯、德国SICK西克、美国COMPACT克里帕、美国HACH哈希、瑞士DIAVITE、荷兰Procentec、波兰B4S、意大利PNR、
法国KIMO凯茂、法国Piezoconcept、法国Chauvin Arnoux、法国Scaime世感、法国Forsentek赛力斯、Souriau苏里奥、Radiall雷迪埃、Lamy Rheology 兰尔荷洛基、Chauvin Arnoux Group、Environnement S.A.、Tesa德莎、
POMPES GROSCLAUDE、Tethys特提斯、BTI、Coreau、SMAAT TECHNIQUES、ENVYTECH、EBDS、MICRO-EPSILON FRANCE、GRUNDFOS、SEFELEC、AMETEK、
韩国POLARION普拉瑞、韩国SAMICK三益精工、韩国东日技研DIT
以色列OPHIR、
主要合作客户有:关西涂料(ALESCO)、欧菲科技(O-film)、泰晶科技(TKD)、中芯国际(SMIC), 京东方(BOE) ,华星光电(CSOT),天马(TIANMA), 柔宇(ROYOLE) 丰田(TOYOTA), SUZUKI(铃木),比亚迪(BYD),大疆(DJI),艾华集团(AISHI);骏马精密(ZAMA)三一重工(SANY),中联重科(ZOOMLION)等,凭借专业销售代理的经验,成熟的产品,赢得了广大客户的信任。
江西省江崎贸易有限公司会恪守“诚信、品质、快速、贴心”的服务宗旨,不断提升专业的技术服务水平,与客户及供应商实现共同发展。通过减少中间环节,并提供便利的配送服务,将实惠和安心送到每一个客户的手中。
京都玉崎株式会社-中部子公司
江西省江崎贸易有限公司
2025.6.30